๐ช๐ต๐ฎ๐ ๐ฎ๐ฟ๐ฒ ๐ฆ๐๐ฟ๐๐ ๐๐ต๐ฎ๐ป๐ป๐ฒ๐น๐?
Strut channels are versatile structural components used to support and secure various mechanical and electrical applications. Typically made from materials such as steel or aluminum, these channels have a C-shaped cross-section, allowing for the easy attachment of brackets, hangers, and other hardware. They provide a robust framework for mounting systems, facilitating organization and stability in installations.
Strut channels are primarily utilized in construction, manufacturing, and maintenance settings. They can be found in HVAC systems, electrical installations, and plumbing setups, where they serve as supports for pipes, ducts, and cables. The adaptability of strut channels makes them suitable for a wide range of applications, contributing to their popularity in various industries. The market for strut channels continues to grow as industries seek efficient solutions for their mounting and support needs.
๐๐ฒ๐ ๐๐ฒ๐ฎ๐๐๐ฟ๐ฒ๐ ๐ฎ๐ป๐ฑ ๐ฆ๐ฝ๐ฒ๐ฐ๐ถ๐ณ๐ถ๐ฐ๐ฎ๐๐ถ๐ผ๐ป๐
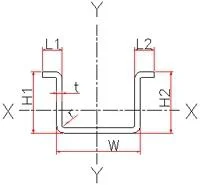
Strut channels are designed to meet specific performance and durability requirements. Their key features and specifications are crucial for ensuring they meet industry standards and application needs.
Key specifications include:
1. Material Type
- Commonly made from galvanized steel, stainless steel, or aluminum
- Provides resistance to corrosion and environmental factors
2. Length
- Available in standard lengths typically ranging from 10 to 20 feet
- Custom lengths may also be provided based on project requirements
3. Width
- Standard widths usually range from 1.5 to 3 inches
- Width affects load capacity and compatibility with fittings
4. Load Capacity
- Varies based on material and design
- Typically rated for loads from 100 to 1500 pounds
5. Finish
- Various finishes available including pre-galvanized, hot-dipped galvanized, and powder-coated
- Finish impacts durability and aesthetic appeal
6. Compatibility
- Designed to work with a variety of fittings and accessories
- Ensures flexibility in mounting systems
7. Weight
- Weight varies based on material and profile
- Important for transport and installation considerations
8. Certification
- CE certified for compliance with European Union standards
- Ensures quality and reliability in applications
In summary, strut channels come with a range of specifications that cater to different applications and industry requirements. Understanding these features helps businesses select the right product for their needs.
๐๐ผ๐บ๐บ๐ผ๐ป ๐๐ฝ๐ฝ๐น๐ถ๐ฐ๐ฎ๐๐ถ๐ผ๐ป๐ ๐ฎ๐ป๐ฑ ๐จ๐๐ฒ ๐๐ฎ๐๐ฒ๐
Strut channels are widely utilized across several industries due to their adaptability and strength.
1. Construction: In construction, strut channels provide essential support for HVAC systems, electrical conduits, and plumbing pipes. Their ease of installation makes them a preferred choice for builders.
2. Manufacturing: In manufacturing settings, strut channels are used to create frameworks for assembly lines and machinery. They help organize equipment and maintain safety standards.
3. Telecommunications: Strut channels support telecommunications infrastructure, including mounting antennas, cables, and conduits. Their durability ensures reliable performance in varying conditions.
4. Automotive: In the automotive industry, strut channels are used for mounting components such as exhaust systems and suspension parts, providing stability during vehicle operation.
5. Energy: Strut channels play a crucial role in renewable energy applications, supporting solar panels and wind turbines, ensuring they remain securely mounted.
6. Warehousing: In warehouses, strut channels are utilized for racking systems and storage solutions, maximizing space and improving organization.
7. Electrical: Strut channels are vital in electrical installations, providing support for wiring and electrical components, ensuring compliance with safety regulations.
๐ฃ๐ฟ๐ผ๐ฑ๐๐ฐ๐ ๐ฉ๐ฎ๐ฟ๐ถ๐ฎ๐ป๐๐ ๐ฎ๐ป๐ฑ ๐ฆ๐๐ฏ๐ฐ๐ฎ๐๐ฒ๐ด๐ผ๐ฟ๐ถ๐ฒ๐
Strut channels come in various forms to meet diverse application needs. Their diversity allows businesses to choose the most suitable option.
Heavy-Duty Strut Channels: These channels are designed for high-load applications and are commonly used in industrial settings. They are made from thicker materials and offer enhanced load capacities, making them ideal for heavy machinery and equipment.
Light-Duty Strut Channels: Suitable for lighter applications, these channels are often used in residential and commercial settings. They provide adequate support for HVAC systems and electrical installations without the extra weight of heavier variants.
Custom Strut Channels: Some manufacturers offer customization options, allowing businesses to specify dimensions, materials, and finishes. This flexibility ensures that specific project requirements are met efficiently.
๐๐ฒ๐ป๐ฒ๐ณ๐ถ๐๐ ๐ฎ๐ป๐ฑ ๐๐ฑ๐๐ฎ๐ป๐๐ฎ๐ด๐ฒ๐
Using strut channels in various applications offers several advantages that enhance operational efficiency.
1. Versatility: Strut channels can be adapted for multiple uses, making them suitable for different industries and applications.
2. Easy Installation: Their design allows for quick and straightforward installation, reducing labor costs and project timelines.
3. Structural Integrity: Strut channels provide robust support, ensuring stability and safety in mechanical and electrical installations.
4. Cost-Effective: Their durability and adaptability make strut channels a cost-effective solution for mounting and support needs.
5. Customization Potential: The option for custom sizes and finishes allows businesses to tailor strut channels to their specific requirements.
6. Compliance: Many strut channels meet industry certifications, ensuring they comply with safety and quality standards.
๐๐๐๐ถ๐ป๐ด ๐๐๐ถ๐ฑ๐ฒ ๐ณ๐ผ๐ฟ ๐๐ฎ๐ ๐๐๐๐ฒ๐ฟ๐
When sourcing strut channels, it is essential for B2B buyers to consider various factors to ensure they make informed purchasing decisions.
1. Quality Assessment: Evaluate the material quality and manufacturing standards to ensure the strut channels will withstand environmental conditions and loads.
2. Supplier Verification: Research and vet suppliers to confirm their legitimacy and reliability. Look for customer reviews and industry certifications.
3. Pricing and MOQ: Understand the pricing structure and minimum order quantity (MOQ) requirements. This information is crucial for budgeting and inventory management.
4. Delivery and Lead Times: Discuss logistics with suppliers to determine expected delivery times. Timely delivery is critical for project planning.
5. Compliance Requirements: Ensure that the strut channels meet any applicable regulatory and compliance standards for your industry, such as CE certification.
๐๐ผ๐บ๐ฝ๐น๐ถ๐ฎ๐ป๐ฐ๐ฒ ๐ฎ๐ป๐ฑ ๐๐ฒ๐ฟ๐๐ถ๐ณ๐ถ๐ฐ๐ฎ๐๐ถ๐ผ๐ป๐
Strut channels are subject to various quality standards that ensure their safety and reliability in applications. Many manufacturers adhere to ISO 9001, which focuses on maintaining quality management systems and consistent product quality.
Industry certifications, such as CE certification, confirm that strut channels comply with European market regulations. This certification assures buyers of the product's safety and performance standards.
Safety and testing requirements are also critical in the manufacturing process. Strut channels undergo rigorous testing to ensure they can withstand specified loads and environmental conditions.
Regional compliance considerations may vary based on local regulations. It is essential for buyers to be aware of these factors to ensure that their purchases meet all necessary legal requirements.
๐ช๐ต๐ ๐ฆ๐ผ๐๐ฟ๐ฐ๐ฒ ๐ฆ๐๐ฟ๐๐ ๐๐ต๐ฎ๐ป๐ป๐ฒ๐น๐ ๐ณ๐ฟ๐ผ๐บ ๐ฃ๐ฒ๐ฝ๐ฎ๐ด๐ผ๐ฟ๐ฎ?
Pepagora offers a reliable platform for sourcing strut channels, providing several key advantages to B2B buyers.
Verified Supplier Network: Pepagora connects buyers with a network of verified suppliers, ensuring that they can source high-quality strut channels from reputable manufacturers.
Streamlined RFQ Process: The platform features an efficient Request for Quotation (RFQ) system, allowing buyers to quickly compare offers from multiple suppliers and make informed decisions.
Trade Assurance and Support: Pepagora provides trade assurance to protect buyers during transactions. This support helps mitigate risks and ensures that buyers receive the products they expect.
Regional Coverage: With a focus on geographical reach, Pepagora serves buyers in India, the GCC, and Southeast Asia, providing access to a diverse supplier base and a wide range of strut channels.